monstershopmonstershop.co.uk
Instructions by monstershopCommercial Oven
monstershop

Commercial Oven

Commercial Oven
Before you start
Safe Working Practice
Steps
1. Turning On the Oven2. Adjusting Temperature3. Placing Food in the Oven4. Using the Timer5. Turning Off the Oven6. Cleaning and Maintenance7. Appliance Drawing: Single Phase8. Appliance Drawing: Three Phase9. Resolution Guide

No results

monstershop
monstershop / Commercial Oven
Commercial Oven
monstershop

Instructions by

monstershop

Commercial Oven

Cook like a pro with the KuKoo Commercial Baking & Pizza Oven. With 2 decks holding up to 12x10" pizzas, it heats to 400°C and features reinforced steel doors. Freestanding on wheels, it’s perfect for restaurants, cafés, or takeaways. Three-phase, single-phase convertible.

Product Information

Commercial Oven

The Commercial Oven is ideal for any restaurant, take-away, cafe or pub. The oven has two decks that can be controlled separately.  As it is free-standing, the commercial oven can be up and running immediately and moved around your kitchen. The reinforced steel doors give you access to each deck separately, as well as keeping the heat in. The temperature range is between 0°C and 400°C.  The oven is pre-set as single phase, however the oven is capable of being a three phase oven. Ask a qualified electrician for further advice and help when converting the oven from single to three phase. The oven needs a 6mm cable for wiring. We at Monster Group UK understand that this is a new and exciting purchase, and although it is tempting to get stuck in please carefully read these instructions before you start using this oven. Please Note: The Kukoo Commercial Oven is designed to be used by a competent person. It should not be used or stored in wet or damp conditions. Please refer to and read Safety Advice, Safe Working Practice to ensure prevention of injury or damage to the device before starting.
View product (opens in new tab)
SKU
23752
Weight
148kg
Dimensions
Without wheels: 1260mm L x 1230mm D x 805mm W / With wheels: 1260mm L x 1380mm D x 805mm W
Single Phase
Voltage220V/50Hz
Power of wiring6.6kw
Power Consumption0.2kw/H
Temperature Range0°C - 400°C

Monster Guarantee

If you wish to return a product in perfect working order, we provide a 30 day returns policy as long as the item is unopened and in a resalable condition.

A 12 month warranty applies to all of our electrical products; we will cover the cost of labour and parts. Our policy is to try and repair the item before arranging an exchange or refund.

If for any reason a part is missing please get in touch with us within 7 days on receipt of your order. You can contact our friendly and helpful Customer Support Team via email or call. For full terms and conditions contact our Support Department via the details on the Contact Us page.

Safe Working Practice

Please read through the safe working practice to ensure prevention of injury or damage to the device.

  • This oven will automatically cut the power in the event of a short circuit or power overload etc. To re-start the oven you will just need to press the power switch.
  • Do not operate this appliance in wet areas as the machine will not function correctly.
  • This oven cannot be used outdoors or in a wet or damp environment.
  • This appliance can be dangerous if the power cord or wires come into contact with water. Attaching a RCD adaptor will instantly cut off the electricity supply to the machine to prevent potentially fatal shocks.
  • Ensure the oven is on a dry, level and solid surface during operation.
  • The oven must be 50cm away from the wall.
  • Before installing the oven or using it, do not put utensils, kitchen equipment etc. on the surface or inside the oven unless they are made from non-flammable materials.
  • Ensure that the power is off and the oven is cool before cleaning or repairing the oven.
  • Do not use chemical cleaners, as this could cause damage to the oven. Wipe the interior and exterior of the oven with a damp cloth, then wipe dry with a dry cloth.
  • Use oven gloves when adding/removing food as this oven can get very hot.
  • Only cook appropriate foods in this oven.
  • Do not exceed 400°C.
  • Remove all adhesive film and polystyrene packaging before turning on the oven.
  • Do not use a wet cloth to scrub the radiators on the top, left and right sides of the oven.

1. Turning On the Oven

Reminder: Each deck has its own control panel.

1. Turn the power switch ON. The temperature indicator will come on, and the red light on the temperature dial will illuminate.

2. Adjusting Temperature

1. Adjust the top and bottom temperatures of the deck using the temperature control. The light on the dial will turn green as the oven begins to heat up.
2. When the oven has reached the desired temperature, the light on the temperature dial will turn back to red.

3. Placing Food in the Oven

Once the oven is heated, place the food inside the oven.

4. Using the Timer

1. Turn the timer switch to ON.
2. Use the arrows to set the time (in minutes) and press RUN to start the timer.
3. Press STOP if you need to stop the timer.

5. Turning Off the Oven

1. Turn the power switch to OFF when you have finished cooking.
2. Remove the oven from the power supply.

6. Cleaning and Maintenance

  • Ensure the oven is off and cool before cleaning.
  • Wipe the interior and exterior with a damp cloth, then dry with a dry cloth.
  • Do not use chemical cleaners.
  • If the feed cable is faulty, replace it with a new one.
  • Replacement bulbs and heating elements can be purchased from MonsterShop.

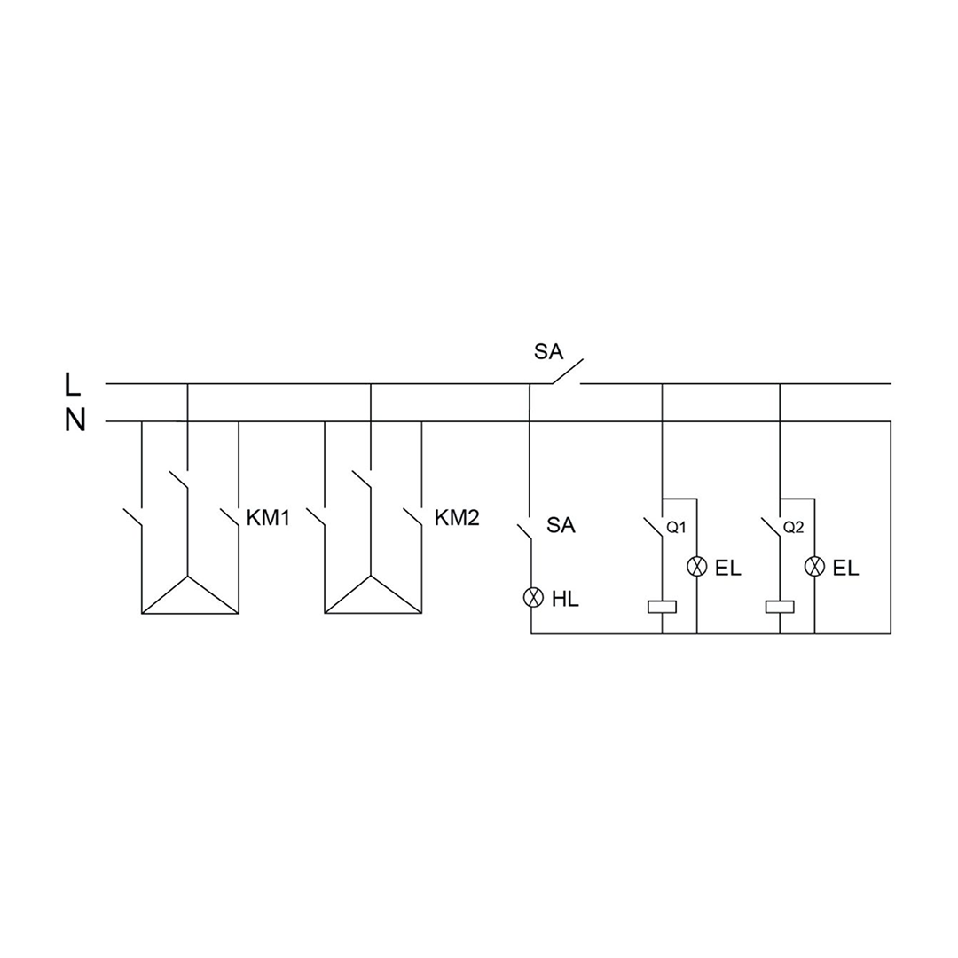
7. Appliance Drawing: Single Phase

  • KM1 - Top oven contactor
  • KM2 - Bottom oven contactor
  • Q1 \- Top oven temperature controller
  • Q2 \- Bottom oven temperature controller
  • SA \- Power control switch deck 1
  • SA\- Power control switch deck 2
  • EL - Light
  • HL - Power light
  • N - Neutral

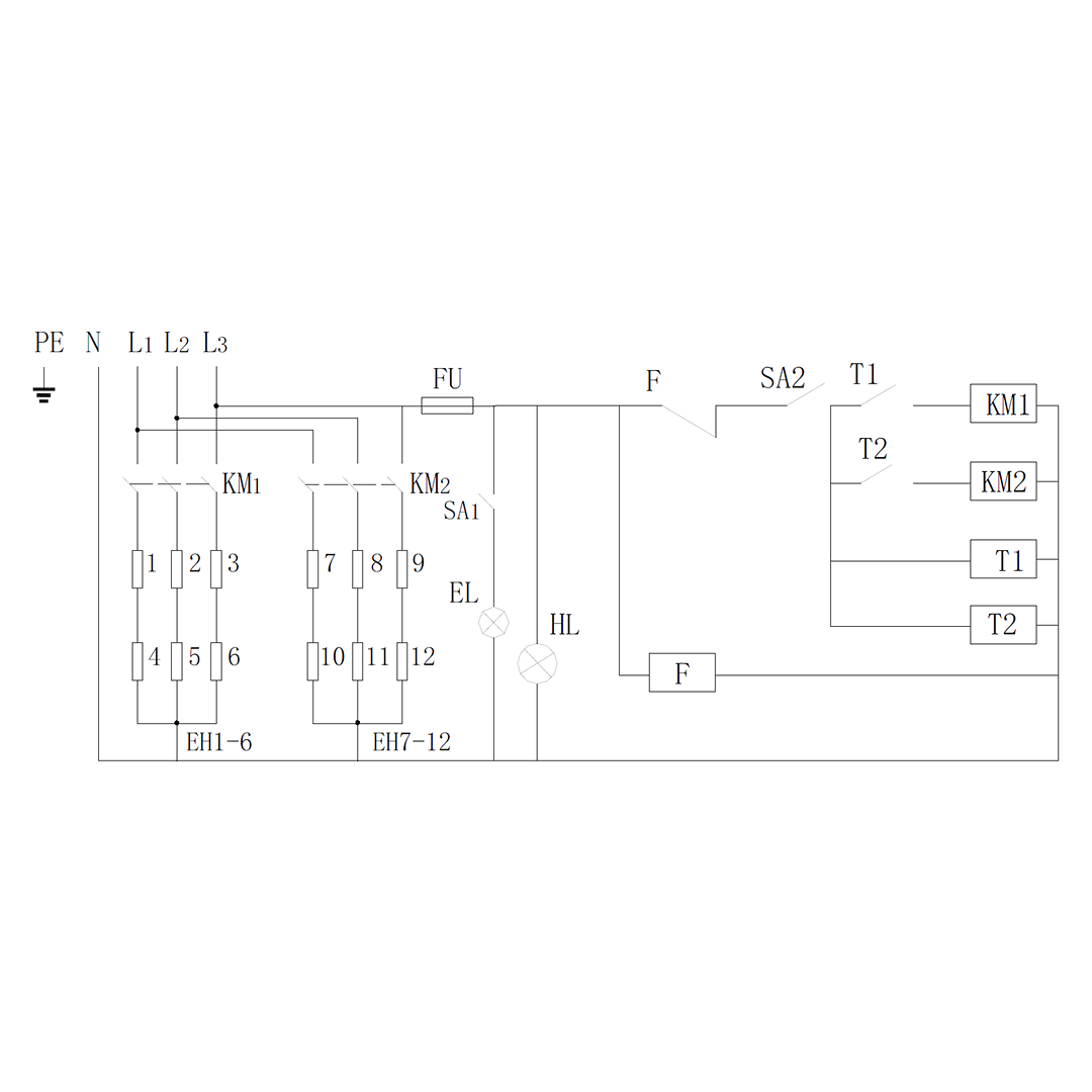
8. Appliance Drawing: Three Phase

  • KM1 - Top oven contactor
  • KM2 - Bottom oven contactor
  • T1 \- Top oven temperature controller
  • T2 \- Bottom oven temperature controller
  • F \- Automatic circuit breaker
  • Fu - Fuse box
  • SA1 - Light control indicators
  • SA2 - Power control switch
  • EL - Light
  • EH1 -6 - Top oven output
  • EH7 -12 - Bottom oven output
  • HL - Power light
  • N \- Neutral
  • PE \- Earth wire
  • L1, L2, L3 - Three-phase input

9. Resolution Guide

Please read through the guide below if you have any issues or faults with your device. The information covers and resolves the majority of frequently asked questions.

  • There are parts missing from my order.

If there appears to be any part missing from your package, contact our Customer Support team via the details on the Contact Us page within 7 days of receipt.

  • The oven will not turn on.

The power supply may not meet the requirements of the specification. Check that you have the correct power supply, and that it is supplying the correct voltage.

  • There appears to be an electrical fault.

Do not touch or tamper with any of the wires or components. Repair or maintenance inside the control box should only be carried out by skilled electricians.

  • The light bulb inside the oven has stopped working.

Make sure the oven is turned off and remove the power supply. Open the right-hand side panel of the oven; inside, you should see the light bulb. Unscrew the bulb and replace it with a new one. Replace the panel and turn the power back on to check the light.
You can buy replacement bulbs from our store—just visit the website or give us a call.

  • The temperature cannot be controlled automatically (the red/green lights are not changing).

There appears to be an issue with the temperature controller. Contact our Customer Support team for more advice and help if you are dealing with this problem.

  • The indicator lights are not working.

There may be a problem with the switch, fuse box, or power supply. Repair or maintenance inside the control box should only be carried out by a skilled electrician.

For all other issues, please contact our Customer Support department via the details on the Contact page.

monstershop
monstershop (opens in new tab)Terms (opens in new tab)Privacy (opens in new tab)