monstershopmonstershop.co.uk
Instructions by monstershopT-Mech Presse Hydraulique de Banc 10 Tonnes avec Jauge
monstershop

T-Mech Presse Hydraulique de Banc 10 Tonnes avec Jauge

T-Mech Presse Hydraulique de Banc 10 Tonnes avec Jauge
Before you start
Conseils de sécuritéInformations GPSRParts
Steps
1. Diagramme d'assemblage2. Instructions d'utilisation3. Entretien4. Dépannage

No results

monstershop
monstershop / T-Mech Presse Hydraulique de Banc 10 Tonnes avec Jauge
T-Mech Presse Hydraulique de Banc 10 Tonnes avec Jauge
monstershop

Instructions par

monstershop

T-Mech Presse Hydraulique de Banc 10 Tonnes avec Jauge

Ce guide fournit des instructions étape par étape pour assembler les composants et utiliser la T-Mech Presse Hydraulique de Banc 10 Tonnes avec Jauge.

Informations produit

Presse hydraulique d'atelier montée sur établi T-MECH 10 tonnes

La presse hydraulique d'atelier montée sur établi T-MECH 10 tonnes est un outil professionnel robuste conçu pour des tâches de pressage de précision, d'installation de roulements et de formage de métaux. Construite en acier épais et robuste et dotée de trois hauteurs de travail réglables, elle offre force, stabilité et polyvalence pour des applications exigeantes. Un manomètre analogique intégré assure un contrôle précis de la force, tandis que le design boulonné à l'établi et les plaques de pressage amovibles offrent une opération sécurisée et adaptable.
SKU
210913
Capacité :10 tonnes
Zone de travail :0-305mm
Course du vérin :250mm
Poids net :52,80kg

Informations GPSR

Royaume-Uni

  • Fabricant : Monster Group UK Limited, Monster House 19-23 Alan Farnaby Way, Industrial Estate Sheriff Hutton, York YO60 6PG
  • Personne Responsable : Rana Harvey, Monster Group UK Limited, Monster House 19-23 Alan Farnaby Way, Industrial Estate Sheriff Hutton, York YO60 6PG, Angleterre, +441347878880

UE

  • Fabricant : Monster Group BV, Van Heemskerckweg 28A & B, Venlo 5928LL Pays-Bas +441347878880
  • Personne Responsable : Rana Harvey, Monster Group BV, Van Heemskerckweg 28A & B, Venlo 5928LL, Pays-Bas, +44134787888

Conseils de sécurité

  • Cette presse est conçue et destinée à être utilisée uniquement par du personnel correctement formé et expérimenté.
  • Si vous n'êtes pas familier avec l'utilisation correcte et sécurisée d'une presse hydraulique, ne l'utilisez pas tant que vous n'avez pas reçu la formation et les connaissances appropriées.
  • NE PAS utiliser cette presse au-delà de sa capacité nominale.
  • NE PAS comprimer des ressorts ou d'autres objets qui pourraient être éjectés de la presse.
  • NE PAS comprimer des objets qui pourraient se briser.
  • Vérifiez la presse pour des pièces desserrées ou endommagées avant chaque opération.
  • Remplacez les pièces endommagées et serrez tous les boulons desserrés avant de faire fonctionner.
  • Certaines pièces en cours de pressage peuvent avoir tendance à sortir de la presse ou à exploser sous pression.
  • Veuillez porter les EPI appropriés pour utiliser cette machine.

Informations GPSR

Royaume-Uni

  • Fabricant : Monster Group UK Limited, Monster House 19-23 Alan Farnaby Way, Industrial Estate Sheriff Hutton, York YO60 6PG, Angleterre.
  • Personne Responsable : Rana Harvey, Monster Group UK Limited, Monster House 19-23 Alan Farnaby Way, Industrial Estate Sheriff Hutton, York YO60 6PG, Angleterre. +441347878880

UE

  • Fabricant : Monster Group BV, Van Heemskerckweg 28A & B, Venlo 5928LL Pays-Bas.
  • Personne Responsable : Rana Harvey, Monster Group BV, Van Heemskerckweg 28A & B, Venlo 5928LL, Pays-Bas. +441347878880

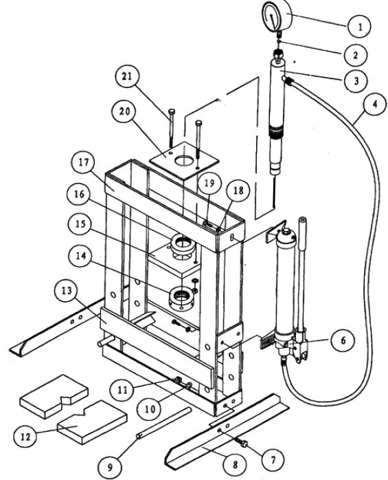
Parts

Partie 1 - Manomètre
Partie 1 - Manomètre
Partie 2 - Anneau en nylon
Partie 3 - Vérin
Partie 4 - Tuyau hydraulique
Partie 6 - Pompe à main
Partie 7 - Boulon M10x25
Pièce 8 - Acier en angle
Pièce 9 - Tige
Pièce 10 - Rondelle
Pièce 11 - Écrou M10
Partie 12 - Plaque de support
Partie 13 - Forme de plaque de presse
Pièce 14 - Écrou Rond Inférieur
Pièce 15 - Plaque
Pièce 16 - Écrou Rond Supérieur
Pièce 17 - Cadre
Pièce 18 - Rondelle
Pièce 19 - Boulon M8x15
Pièce 20 - Plaque
Pièce 21 - Boulon M10

1. Diagramme d'assemblage

-Veuillez consulter l'image jointe pour les instructions d'assemblage.

2. Instructions d'utilisation

  • Placez la pièce à travailler sur le cadre du lit.
  • Localisez et fermez la valve de décharge.
  • Pompez la poignée jusqu'à ce que le vérin s'approche de la pièce à travailler.
  • Appliquez la charge sur la pièce à travailler en pompant la poignée. Ne surchargez pas la pièce à travailler.
  • Retirez la charge de la pièce à travailler en tournant la valve de décharge.
  • Stabilisez la pièce à travailler pour qu'elle ne tombe pas pendant que la pression est relâchée.
  • Retirez la pièce à travailler après que le vérin soit complètement rétracté.

3. Entretien

  • Huilez légèrement et périodiquement toutes les pièces mobiles, y compris le piston de la pompe et le vérin hydraulique.
  • Vérifiez les connexions hydrauliques et les tuyaux avant chaque utilisation.
  • NE PAS utiliser si des coupures, des dommages, des fuites ou d'autres connexions et/ou tuyaux endommagés sont constatés.

4. Dépannage

Veuillez lire le guide ci-dessous si vous rencontrez des problèmes ou des défauts avec votre appareil. Les informations couvrent et résolvent la majorité des questions fréquemment posées.

Q : Il manque des pièces dans ma commande. R : S'il semble qu'il manque une pièce dans votre colis, contactez notre équipe de support client via les coordonnées de la page Contactez-nous dans les 7 jours suivant la réception.

Veuillez noter qu'il n'y a pas de pièce 5 dans ce modèle. Aucune pièce ne manque.

Pour tous les autres problèmes, veuillez contacter notre service client via les coordonnées de la page Contact.

monstershop
monstershop (opens in new tab)Terms (opens in new tab)Privacy (opens in new tab)