monstershopmonstershop.co.uk
Instructions by monstershopMachine à redresser les bosses T-MECH
monstershop

Machine à redresser les bosses T-MECH

Machine à redresser les bosses T-MECH
Before you start
Conseils de sécuritéParts
Steps
1. Précautions avant la mise sous tension2. Schéma de circuit3. Fonction de chaque partie4. Opération du panneau5. Opération de mise à la terre6. Opération de soudage7. Système de protection contre la surchauffe de l'hôte8. Système de Pulsation Automatique9. Maintenance10. Dépannage

No results

monstershop
monstershop / Machine à redresser les bosses T-MECH
Machine à redresser les bosses T-MECH
monstershop

Instructions par

monstershop

Machine à redresser les bosses T-MECH

214858

Informations produit

Machine à débosseler T-MECH

Le débosseleur T-Mech est une solution polyvalente et efficace pour réparer les bosses de différentes tailles. Conçu avec une technologie avancée de soudage par points, il offre plusieurs modes de soudage pour traiter les petites et grandes bosses avec précision et facilité. Que vous soyez un technicien professionnel en carrosserie ou un amateur de bricolage, cet outil assure des performances fiables, rendant l'élimination des bosses plus rapide et plus efficace.
* Taille du produit : 24,5 cm (H) x 20,3 cm (L) x 29,8 cm (P) * Poids du produit : 21,2 kg * Tension : 220 V * Puissance : 3 KW * Épaisseur de soudage : 0,6 mm à 1,6 mm * 7 modes de soudage
Voir le produit (opens in new tab)
SKU
214858

Informations GPSR

Royaume-Uni

  • Fabricant : Monster Group UK Limited, Monster House 19-23 Alan Farnaby Way, Industrial Estate Sheriff Hutton, York YO60 6PG
  • Personne responsable : Rana Harvey, Monster Group UK Limited, Monster House 19-23 Alan Farnaby Way, Industrial Estate Sheriff Hutton, York YO60 6PG, Angleterre, +441347878880

UE

  • Fabricant : Monster Group BV, Van Heemskerckweg 28A & B, Venlo 5928LL Pays-Bas +441347878880
  • Personne responsable : Rana Harvey, Monster Group BV, Van Heemskerckweg 28A & B, Venlo 5928LL, Pays-Bas, +44134787888

Conseils de sécurité

Veuillez lire attentivement les Pratiques de Travail Sécurisées pour éviter toute blessure ou dommage à l'appareil.

  • Les opérateurs doivent recevoir une formation adéquate avant d'utiliser la machine pour garantir une utilisation sûre et correcte.
  • Assurez-vous toujours que la machine est correctement mise à la terre avant utilisation ; connectez le fil de mise à la terre et assurez-vous que le fil d'alimentation de mise à la terre est en bon état. Toute vis sur le boîtier de la machine peut servir de point de mise à la terre.
  • Vérifiez que l'établi est connecté de manière sécurisée au dispositif de mise à la terre.
  • Inspectez tous les câbles avant utilisation. N'utilisez pas de câbles effilochés, coupés ou présentant des défauts d'isolation, des fils de cuivre exposés, des connexions lâches ou tout signe de fuite.
  • La machine ne doit être connectée qu'à une alimentation électrique correspondant à sa tension et à ses spécifications de puissance nominales. Utilisez un disjoncteur ou un protecteur de fuite d'au moins 60A pour la sécurité.
  • Ne jamais utiliser la machine dans des environnements humides ou mouillés, y compris en se tenant sur un sol mouillé, car cela augmente le risque de choc électrique.
  • Débranchez la prise d'alimentation avant d'ouvrir ou de démonter le boîtier de la machine, et avant toute inspection.
  • Ne modifiez ni ne contournez en aucun cas les dispositifs de sécurité de la machine.
  • N'utilisez que des accessoires et des pièces de rechange d'origine spécifiés par le fabricant pour maintenir la sécurité et les performances de la machine.
  • Assurez-vous que des inspections de maintenance préventive régulières sont effectuées pour confirmer que tous les composants sont en bon état de fonctionnement.
  • Effectuez des inspections régulières pour confirmer que tous les écrous, boulons et connexions, y compris ceux du dispositif de mise à la terre, sont sécurisés et exempts d'usure ou de dommages.
  • N'essayez pas de réparer ou de modifier sans qualifications professionnelles. Utilisez toujours du personnel formé pour la maintenance.
  • Gardez toutes les étiquettes de sécurité en bon état et solidement attachées à la machine.
  • Les opérateurs doivent porter un équipement de protection approprié, y compris des gants en cuir, un tablier en cuir, des chaussures de sécurité et un écran facial ou des lunettes de protection pour se protéger contre les éclaboussures de métal en fusion.
  • Évitez de porter des objets conducteurs tels que des bagues, montres ou bijoux, car ceux-ci peuvent causer de graves brûlures.
  • Utilisez toujours la machine dans des zones bien ventilées pour éviter l'accumulation de fumées et de gaz générés lors du soudage.
  • Assurez-vous que la zone de soudage et les pièces à travailler sont exemptes de contaminants, y compris la peinture, la rouille ou les revêtements, pour améliorer la qualité et la sécurité du soudage.
  • N'utilisez pas la machine à proximité de matériaux inflammables ou explosifs.
  • Assurez-vous que les connexions du pistolet de soudage et du marteau à tirer sont serrées et exemptes de jeu pour éviter les dysfonctionnements ou les accidents.
  • Ne touchez pas la zone de soudage, l'électrode ou le bras de soudage pendant le fonctionnement, car ces parties peuvent atteindre des températures élevées et rester chaudes pendant un certain temps après l'arrêt de la machine.
  • Si la machine comprend un système de protection contre la surchauffe et que le buzzer retentit, cessez immédiatement l'opération et laissez la machine refroidir avant de reprendre l'utilisation.
  • Les opérateurs sont responsables de s'assurer que la machine n'interfère pas avec ou n'endommage pas les systèmes électriques et électroniques d'un véhicule, tels que les airbags ou les écrans d'ordinateur.
  • Si la machine émet des sons inhabituels, des odeurs ou des dysfonctionnements, arrêtez immédiatement de l'utiliser et contactez le fabricant pour obtenir des conseils.
  • Stockez la machine dans un endroit sec et frais, à l'abri de la lumière directe du soleil et des environnements corrosifs pour prolonger sa durée de vie.
  • Cette machine est conçue pour un usage industriel et professionnel uniquement ; ne l'utilisez pas pour des applications non autorisées ou dans des environnements non spécifiés par le fabricant.

Parts

Machine à débosseler (Dent Puller Machine)
Machine à débosseler (Dent Puller Machine)
Pistolet de soudage + câble
Pistolet de soudage + câble
Fil Négatif
Fil Négatif
Marteau à tirer à double usage
Marteau à tirer à double usage
Crochet de traction multi-griffes
Crochet de traction multi-griffes
Ventouse
Ventouse
Connecteur triangulaire
Connecteur triangulaire
T-tige
T-tige
Pièces de soudage circulaires
Pièces de soudage circulaires
Ligne ondulée
Ligne ondulée
Tête de soudage par points à double usage
Tête de soudage par points à double usage
Boîte d'accessoires
Boîte d'accessoires

1. Précautions avant la mise sous tension

  • Assurez-vous que le produit est correctement connecté au fil de terre et vérifiez que le fil de terre est en bon état. Toute vis sur le boîtier de la machine peut servir de point de mise à la terre.
  • Assurez-vous que l'établi est correctement connecté au dispositif de mise à la terre. Toute vis sur le boîtier de la machine peut servir de point de mise à la terre.
  • Empêchez l'opérateur d'entrer en contact avec les pièces métalliques à souder si aucune mesure de protection n'est en place ou lorsqu'il porte des vêtements mouillés.
  • Évitez le contact direct avec la zone de soudage.
  • Ne réalisez pas de soudage par points dans des environnements excessivement humides ou sur des sols mouillés.
  • N'utilisez pas de câbles effilochés, coupés ou endommagés. Inspectez les câbles pour détecter les défauts d'isolation, les fils de cuivre exposés, les connexions lâches, les fuites ou toute autre condition dangereuse avant utilisation.
  • Éteignez la machine avant de remplacer le fil d'électrode.
  • Éteignez toujours la machine et débranchez-la de l'alimentation électrique avant d'effectuer toute inspection ou maintenance.
  • Assurez-vous que l'alimentation électrique répond aux exigences standard de la machine.
  • Utilisez un cordon d'alimentation à âme en cuivre avec une norme nationale d'au moins 4 millimètres carrés de section transversale et une longueur maximale de 20 mètres.
  • Utilisez un disjoncteur ou un protecteur de fuite d'une capacité de 60A ou plus.

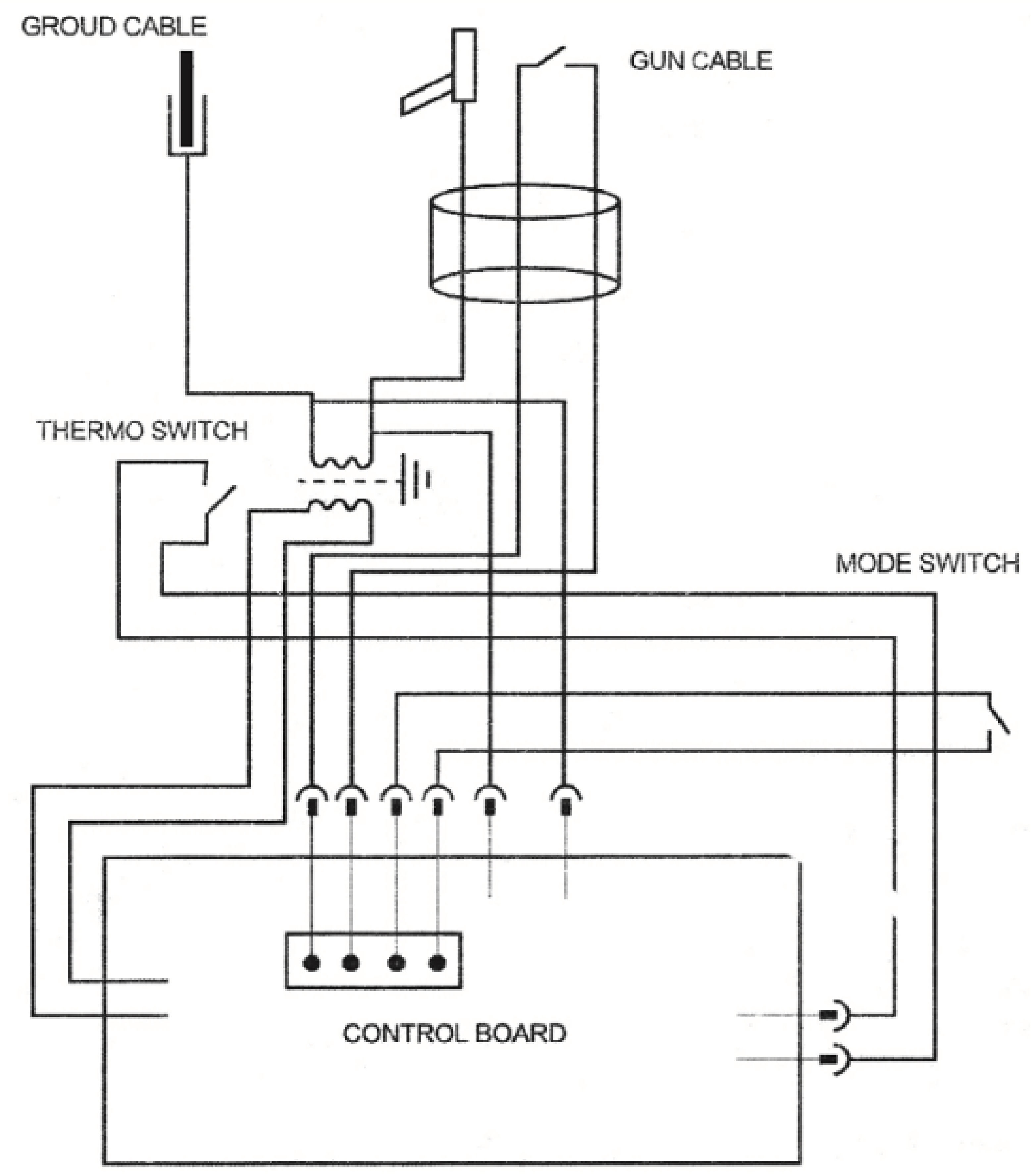
2. Schéma de circuit

1. Assurez-vous que le fil de mise à la terre est correctement connecté pour éviter tout choc électrique.

2. Vérifiez que l'établi est stable et exempt de tout matériau inflammable.

3. Inspectez le fil de l'électrode pour détecter tout signe d'usure ou de dommage. Remplacez-le si nécessaire, avec la machine éteinte.

4. Utilisez un cordon d'alimentation à âme en cuivre pour garantir une conductivité optimale et respecter les normes de sécurité.

5. Installez un disjoncteur ou un protecteur de fuite d'une capacité de 60A ou plus pour éviter les surcharges électriques.

6. Assurez-vous que la Machine à débosseler (Dent Puller Machine) est correctement connectée à une source d'alimentation appropriée.

7. Vérifiez que le Pistolet de soudage + câble est en bon état de fonctionnement.

8. Assurez-vous que le Fil Négatif est correctement connecté et en bon état.

9. Vérifiez que tous les composants, y compris le Marteau à tirer à double usage et le Crochet de traction multi-griffes, sont en bon état et prêts à l'emploi.

10. Assurez-vous que la zone de travail est bien ventilée pour éviter l'accumulation de fumées nocives.

3. Fonction de chaque partie

1. Machine à débosseler (Dent Puller Machine) : Assurez-vous que la machine est correctement connectée à la terre à l'aide d'un fil de mise à la terre pour éviter tout choc électrique.

2. Pistolet de soudage + câble : Vérifiez que le pistolet de soudage et le câble sont en bon état et correctement connectés.

3. Fil Négatif : Assurez-vous que le fil négatif est bien fixé et en bon état.

4. Marteau à tirer à double usage : Vérifiez que le marteau est en bon état et prêt à l'emploi.

5. Crochet de traction multi-griffes : Assurez-vous que le crochet est bien fixé et fonctionnel.

6. Ventouse : Vérifiez que la ventouse est propre et sans fissures.

7. Connecteur triangulaire : Assurez-vous que le connecteur est bien fixé et en bon état.

8. T-tige : Vérifiez que la T-tige est droite et sans dommages.

9. Pièces de soudage circulaires : Assurez-vous que les pièces de soudage sont propres et prêtes à l'emploi.

10. Ligne ondulée : Vérifiez que la ligne ondulée est en bon état et correctement installée.

11. Tête de soudage par points à double usage : Assurez-vous que la tête de soudage est propre et fonctionnelle.

12. Boîte d'accessoires : Vérifiez que tous les accessoires nécessaires sont présents et en bon état.

4. Opération du panneau

1. Connectez le produit à une source d'alimentation appropriée, puis appuyez sur l'interrupteur pour afficher : fonction (gauche) puissance (droite)

2. Pour ajuster l'intensité de la puissance (taille du courant), appuyez sur le bouton + ou -

3. Pour changer la fonction, appuyez sur la touche de sélection de fonction. À ce moment, vous pouvez utiliser les boutons + et - pour sélectionner le numéro de fonction.

4. Soudage manuel et soudage intelligent :

  • Lors de l'utilisation du contrôle manuel, connectez le connecteur de l'interrupteur de la torche et basculez l'interrupteur en mode manuel.
  • Lors de l'utilisation du mode intelligent, il n'est pas nécessaire de déconnecter le connecteur de l'interrupteur de la torche et basculez l'interrupteur en mode intelligent.

5. Opération de mise à la terre

1. Placez le fil de mise à la terre à l'endroit qui doit être réparé.

2. Placez le chalumeau de soudage près du fil de terre pour le soudage.

3. Serrez l'écrou de la tête de mise à la terre.

Il est strictement interdit de remplacer par d'autres styles de dispositifs de mise à la terre - Le dispositif de mise à la terre d'origine est le plus adapté parmi tous les dispositifs de mise à la terre actuels. La pointe du dispositif de mise à la terre est uniquement utilisée pour la fixation, et l'écrou en cuivre joue le rôle de conduction. Assurez-vous de visser l'écrou fermement et solidement.

6. Opération de soudage

La machine peut être soudée manuellement/automatiquement, et l'hôte détecte automatiquement l'état de court-circuit du pistolet de soudage, et un point de soudure est généré en 1 seconde. Déconnectez le pistolet de soudage et la partie à souder pendant 0,5 seconde, puis le point suivant peut être soudé, et d'autres peuvent être soudés en séquence. Lorsqu'on passe en mode manuel, utilisez l'interrupteur du pistolet pour contrôler la soudure.

Technique de soudage - La soudure peut être très ferme avec une légère pression. Une force excessive n'est pas nécessaire.

7. Système de protection contre la surchauffe de l'hôte

Le produit est équipé d'un système de protection contre la surchauffe automatique, qui peut arrêter automatiquement la machine pendant quelques minutes en cas d'utilisation excessive. Dans ce cas, le buzzer continuera de sonner.

8. Système de Pulsation Automatique

Le produit est équipé d'un système de pulsation automatique (fonction 4 et 6). Contactez complètement le pistolet de soudage avec la plaque d'acier, et l'hôte détecte automatiquement le court-circuit du pistolet de soudage, et commence à fonctionner en 1 seconde, réduisant le degré de carbonisation de la carrosserie et améliorant l'efficacité du travail.

9. Maintenance

Précautions de sécurité

  • Toujours déconnecter la machine de la source d'alimentation avant d'effectuer toute maintenance.
  • Porter un équipement de protection individuelle (EPI) approprié, tel que des gants et une protection oculaire, pendant la maintenance.
  • S'assurer que la machine est froide au toucher avant de commencer tout travail pour éviter les brûlures.

Calendrier d'inspection de routine

Quotidien :

  • Vérifier les accessoires pour l'usure. Remplacer si nécessaire.
  • Inspecter tous les câbles et connecteurs visibles pour détecter des dommages ou des connexions lâches.

Hebdomadaire :

  • Vérifier l'intégrité de toutes les pièces mobiles et des mécanismes. Lubrifier si nécessaire.
  • Vérifier les joints et les garnitures du système de vide de la machine et les remplacer s'ils montrent des signes de détérioration.

Mensuel :

  • Effectuer un test complet des dispositifs de sécurité de la machine, tels que les arrêts d'urgence.
  • Examiner l'ensemble de la machine pour détecter tout signe d'usure inhabituelle ou de défaillances potentielles.

Procédures de nettoyage

1. Nettoyage extérieur :

  • Essuyer la machine avec un chiffon humide.
  • Éviter d'utiliser des nettoyants abrasifs qui peuvent endommager la peinture ou les finitions.

1. Nettoyage des composants :

  • Nettoyer les accessoires et toutes les pièces exposées ou mobiles avec une solution détergente douce.
  • Sécher toutes les pièces soigneusement avant de réassembler et de redémarrer la machine.

Directives de lubrification

  • Lubrifier toutes les pièces mobiles mensuellement avec un lubrifiant à base de silicone pour assurer un fonctionnement fluide.
  • Ne pas sur-lubrifier, car un excès de lubrifiant peut attirer la saleté et les débris, ce qui peut nuire au fonctionnement.

POUR TOUS LES AUTRES PROBLÈMES, VEUILLEZ CONTACTER NOTRE ÉQUIPE D'ASSISTANCE CLIENTS.

10. Dépannage

  • QUE FAIRE SI DES PIÈCES MANQUENT DANS MA COMMANDE ?

Si une pièce semble manquer dans votre commande, contactez notre équipe de support client amicale et serviable dans les 7 jours suivant la réception.

  • POUR TOUS LES AUTRES PROBLÈMES, VEUILLEZ CONTACTER NOTRE ÉQUIPE DE SUPPORT CLIENT.
monstershop
monstershop (opens in new tab)Terms (opens in new tab)Privacy (opens in new tab)